Описание фундамента Ф12.7.5
Фундамент Ф12.7.5 применяется для устройства оснований под колонны и другие несущие конструкции в промышленном и гражданском строительстве. Изделие изготавливается компанией ГК "БЛОК", которая специализируется на производстве и поставке железобетонных изделий в Москве, с использованием высокопрочного бетона и армирования стальной арматурой, что обеспечивает его прочность, устойчивость к нагрузкам и долговечность.
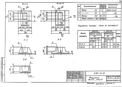
Нормативный документ: Серия 3.017-3, выпуск 1.
Применение фундамента Ф12.7.5
Фундамент Ф12.7.5 используется для:
- устройства оснований под колонны каркасных зданий;
- монтажа несущих конструкций промышленных и гражданских объектов;
- обеспечения надёжности и устойчивости строительных конструкций;
- усиления существующих фундаментов при реконструкции объектов.
Основные параметры, размеры и характеристики
- Длина L, мм: 1200
- Ширина b, мм: 700
- Высота h, мм: 450
- Масса, тонн: 0.58
Дополнительные характеристики
- Класс бетона: B15–B25 (марка М200–М350);
- Марка по морозостойкости: F150–F200;
- Марка по водонепроницаемости: W4–W6;
- Технология изготовления: формование с использованием высокопрочного бетона.
Нормы загрузки
- Норма загрузки в автотранспорт 20 т, шт: до 34 (в зависимости от грузоподъёмности).
Расшифровка маркировки Ф12.7.5
Маркировка "Ф12.7.5" содержит следующую информацию:
- Ф – фундамент;
- 12 – длина изделия в дециметрах (1200 мм = 12 дм);
- 7 – ширина изделия в дециметрах (700 мм = 7 дм);
- 5 – высота изделия в дециметрах (450 мм = 4.5 дм, округляется до 5).
Условия транспортировки и хранения
Фундаменты Ф12.7.5 перевозятся автомобильным или железнодорожным транспортом с использованием специальных захватных устройств (строп). Хранение осуществляется на ровных площадках с твердым покрытием. Фундаменты устанавливаются горизонтально в штабель высотой не более 2,5 м. Для предотвращения повреждений между изделиями устанавливаются деревянные прокладки.
Контроль качества фундамента Ф12.7.5
Каждый фундамент Ф12.7.5 проходит многоступенчатый контроль качества. Проверяются:
- прочность бетона (не ниже класса B15);
- соответствие геометрических размеров проектным данным;
- морозостойкость и водонепроницаемость бетона;
- точность расположения закладных элементов (при наличии);
- отсутствие трещин, сколов и других дефектов.
Заключение
Фундамент Ф12.7.5 – это надежное решение для устройства оснований под колонны и несущие конструкции в промышленном и гражданском строительстве. Благодаря использованию качественных материалов и современных технологий производства, он обеспечивает прочность, устойчивость и долговечность конструкций. Для заказа качественных железобетонных изделий обращайтесь к профессионалам своего дела – компании ГК "БЛОК".
Смотрите также:
| Варианты написания товара | 
|---|
| Фундамент Ф12.7.5 | 
| Ф12.7.5 фундамент | 
| Фундамент Ф12.7.5 Серия 3.017-3 | 
| Ф12.7.5 Серия 3.017-3 | 
| Ф12.7.5 | 
| Фундамент Ф12.7.5 ГОСТ | 
| Ф12.7.5 ГОСТ | 
Как купить
Процесс покупки железобетонных изделий у нас прост и удобен. Следуйте этим шагам:
- Выбор продукции: Ознакомьтесь с нашим ассортиментом и выберите необходимые железобетонные изделия.
- Консультация: Свяжитесь с нашим менеджером для получения консультации по выбору продукции и уточнения всех деталей. Вы можете позвонить нам или написать на электронную почту.
- Оформление заказа: После согласования всех деталей оформите заказ. Менеджер поможет вам заполнить все необходимые документы.
- Согласование доставки: После оформления заказа наш менеджер свяжется с вами для согласования условий и сроков доставки.
- Оплата: Выберите удобный способ оплаты. Мы предлагаем несколько вариантов, включая безналичный расчет.
- Получение товара: После выполнения всех условий заказа, вы получите железобетонные изделия в назначенное время и по согласованному адресу. При получении подпишите акт приема-передачи.
Если у вас возникли вопросы на любом этапе покупки, не стесняйтесь обращаться к нашим менеджерам!
Оплата
Мы принимаем только безналичные платежи и работаем исключительно с юридическими лицами. Пожалуйста, ознакомьтесь с условиями оплаты ниже:
- Способ оплаты: Все расчеты производятся безналичным путем. Мы не принимаем наличные.
- Счет на оплату: После оформления заказа вам будет выставлен счет, который необходимо оплатить в срок, указанный в документе.
- Реквизиты: Все необходимые банковские реквизиты будут предоставлены в счете. Убедитесь, что все данные указаны правильно для успешного перевода.
- Подтверждение оплаты: После осуществления платежа отправьте нам подтверждение, чтобы мы могли оперативно обработать ваш заказ.
- Получение документов: После полной оплаты вы получите все необходимые документы, включая акт выполненных работ, товарные накладные и сертификаты на продукцию.
Мы работаем с НДС и предоставляем все необходимые сертификаты и документы. Все гарантии будут прописаны в договоре, что обеспечивает прозрачность и надежность сотрудничества.
Если у вас есть вопросы по поводу процесса оплаты, не стесняйтесь обращаться к нашим менеджерам за помощью!
Наша оперативность — ваше удобство. Мы гарантируем своевременную доставку железобетонных изделий, что является ключевым фактором для успешной реализации ваших строительных проектов. Доставка осуществляется прямо к вашему объекту с учетом всех стандартов качества.
    Основные условия доставки:
    • Выбор тарифа: Вы можете выбрать способ расчета стоимости доставки — почасовой или по зонам.
    • Согласование: Менеджер свяжется с вами для уточнения деталей после оформления заказа.
    • Время на погрузку: Комплектация товара занимает от 1 до 3 дней в зависимости от объема.
    • Акт приема-передачи: Продукция передается по акту приема-передачи.
    Тарифы на доставку:
    Цены варьируются в зависимости от расстояния и региона. Все тарифы включают НДС. При неблагоприятных погодных условиях возможны небольшие изменения в стоимости.
    География доставки:
    Мы работаем по всей территории РФ и имеем 12 офисов и производств, чтобы обеспечить удобные условия для доставки.
Для точного расчета стоимости доставки обращайтесь к нашим менеджерам!


 
						 
						 
							